Página en Construcción hasta el 30 de abril 2026
Leer más
Envíos a todo Chile
Leer más
Descripción

Descripción

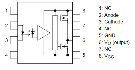
Optoacoplador driver de compuerta TLP351, de 1 canal, con tensión de alimentación de 10 V a 30 V, corriente de salida pico de ±0,6 A y tensión de aislamiento de 3 750 Vrms, en encapsulado DIP‑8 THT para montaje en placa. Adecuado para disparo de IGBT y MOSFET de potencia en inversores, variadores, fuentes conmutadas e inductores de cocción, ofreciendo alta inmunidad al modo común (±10 kV/µs), tiempos de propagación de hasta 700 ns y operación en el rango de −40 °C a 100 °C.
Detalles
Archivos
|

TLP351