Página en Construcción hasta el 30 de abril 2026
Leer más
Envíos a todo Chile
Leer más
Descripción

Descripción

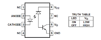
Optoacoplador de compuerta de gate A4504, aislamiento de 2500 Vrms, driver de IGBT/MOSFET con tensión de salida de 15 V / −5 V (bipolar), corriente de pico de salida de ±2,5 A, tiempo de propagación típico de 500 ns y encapsulado DIP-8 para montaje through-hole, fabricado por Broadcom/Avago. Integra fotodiodo, oscilador, transformador de aislamiento y etapa de salida en un solo encapsulado con aislamiento galvánico reforzado, ideal para disparo de IGBTs y MOSFETs en inversores, variadores de frecuencia, fuentes conmutadas y equipos industriales que requieran aislamiento confiable entre etapa de control y potencia.
Detalles
Archivos
|

A4542